Ir ao conteúdo

Goiano.sa

Membro Júnior
  • Posts

    10
  • Cadastrado em

  • Última visita

Tudo que Goiano.sa postou

  1. E pessoal alguém sabe de uma revista eletrônica pra assinar ou algo do tipo.? existe no Brasil ainda ou não?
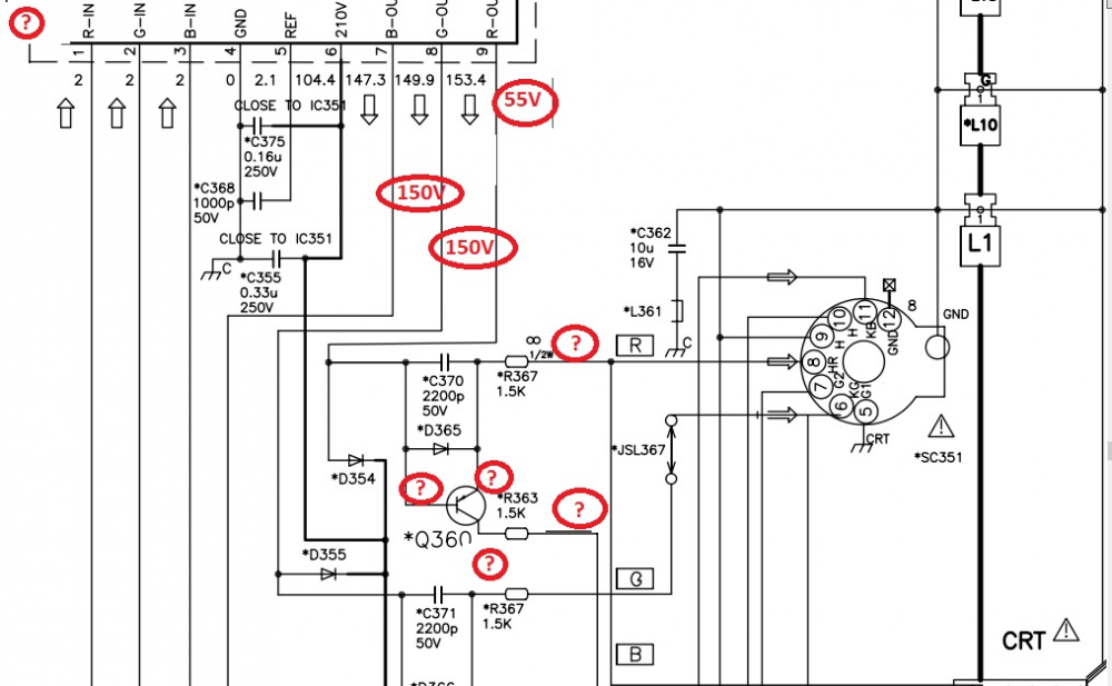
  2. Emersom há algo errado no Q361 você diz na base ter 130V, mas perceba que essa trilha é o mesmo pino 8 do IC351 onde você afirma ter 150V. Perceba que essa tensão vem do ci pino 8, e não ao contrário é impossível sair 150V do tubo.... Pelo que me informou ainda não dar pra definir se é tubo, pois faltou a tensão de um lado de R365. Eu naõ acho ser tubo, Me informe a tensão dos pinos 1, 2, e 3 do ic351 -- Desculpe a demora a bancada aqui tá lotada, só agora verifiquei os e-mails. OK Abraços
  3. Preencha as tensões na foto que estou enviando abaixo e poste para nós.
  4. Eu me enganei nesse modelo usa transistor, um transistor SMD perto do fotoaclopador do lado secundário, amigo você já atentou para o CI 7520 (TEA1506), ser falcificado. e não está gerando pwm?
  5. Boa noite. quais as tensões do curcuito. ? pinos 7, 8 e 9 do IC 351, e Compare as tensões do Q360 B-C-E com Q361 se quiser falar aqui bom também, não precis colocar outro tubo pra saber que é problema de tubo. O resistor que leva a tensão ao pino HR do soquete aquece? Eu olhei nesse esquema abaixo é esse mesmo? e sim não achei R366 TC-29Z99L.pdf
  6. Boa noite, troque o Fotoaclopador e TL431, são os reguladores. perceba que o 431 tem que ter em seu terminal 2,4V como referência. Boa Sorte, Abraços, Cristian Goiano
  7. Tamanha incopêtencia de profissionais designer de web é terrível. Já contratei uns 3 e foi só decepção. não entregam serviço, querem dim dim. Não trabalham, Não estou generalizando. Mas hoje tomei uma decisão, se quer que algo bem feito faça você mesmo. E claro com a tecnologia e informações disponíveis assisti alguns videos e acredito que estão vão extinguir grande quantidade de profissões, ainda mais esses aproveitadores de plantão. O ultimo, me fez o favor de começar a construir um site no wordpress, e deixou no meu servidor a pagina de apresentação apenas e deixou entando a menos pra 20 dias. acontece que tem 4 mêses que ele sumiu. E o tempo acabou e ficou essa pagina lá. Então vendo alguns videos na internet, seguir todos os passos pra resetar a senha mais não consegui, como sei que nesse forum tem muitos que são bons no que fazem. Gostaria de saber se tem um tutorial ou uma dica pra eu resetar a senha do wordpress, Desde já agradeço. Abraços
  8. Boa tarde! verificando meus arquivos e esquemas e ate na internet, Não encontro esse modelo. favor verifique o modelo do titulo, para que eu possa tentar lhe ajudar em algo. Abraços
  9. amigos tenho uma sony DSC_S500 funcionar como webcam tenho a placa de captura de tv ??? como faz isso tem como postar um tutorial por favor ??

Sobre o Clube do Hardware

No ar desde 1996, o Clube do Hardware é uma das maiores, mais antigas e mais respeitadas comunidades sobre tecnologia do Brasil. Leia mais

Direitos autorais

Não permitimos a cópia ou reprodução do conteúdo do nosso site, fórum, newsletters e redes sociais, mesmo citando-se a fonte. Leia mais

×
×
  • Criar novo...