Ir ao conteúdo

Vulcanos

Membro Júnior
  • Posts

    10
  • Cadastrado em

  • Última visita

Reputação

1
  1. É que aquela fonte está queimada, uma das únicas coisas que estão funcionando é transformador. Para uma fonte variável ficaria difícil colocar um led para indicar o curto né. E sem quer ser muito chato(Ou pedir muito) quais seriam os valores daquele resistor de baixo do de 10k. Terminando a fonte posto as fotos aqui, amanha irei comprar os componentes. Obrigado!
  2. Obrigado pelas dicas, terminando a fonte posto fotos aqui. É sim. Disso eu não sabia kk mas de certa forma dá para imaginar. Certo.
  3. Ataa, Obrigado.
  4. Era quase isso que eu estava procurando, um circuito simples de proteção contra curto. Para que seria aquele botão? Ainda estou aprendendo as leis e manhas da eletrônica, por isso quero explorar o máximo do projeto (e o mínimo do meu bolso). Obrigado, no aguardo.
  5. Ok Obrigado
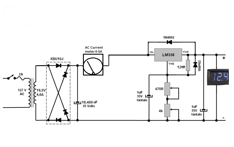
  6. Olá, sou novo aqui no fórum, caso alguma coisa esteja errada me desculpe. Eu estou fazendo uma fonte de alimentação ajustável de 19v 4a e para uma maior segurança decidi adicionar um circuito de proteção contra curto; Gostaria de saber se esse ai é bom? Se não como eu poderia fazer um e quais componentes eu devo comprar. Aqui está o meu projeto, caso precise de alguma informação. Obrigado, Att Vulcanos.
  7. Na verdade é 4.62, eu "montei" esse circuito a partir do faller. Vocês acham que ficou bom? Se não o que eu devo mudar.
  8. Suponha que eu use uma fonte(de notebook) como base para o transformador(e até a ponte retificadora), de 19,5V e 3,62, o que já é suficiente para mim, quais componentes eu teria de modificar, e quais cálculos eu terei de fazer para saber. Ainda não sei ao certo como é essa fonte, amanha mando fotos e detalhes dela.
  9. Recomendo sim, eu tenho uma PNY GTX 650, faz um ano e até agora nenhum problema, o site kabum também é muito bom, eu não tive problemas com ele até agora.

Sobre o Clube do Hardware

No ar desde 1996, o Clube do Hardware é uma das maiores, mais antigas e mais respeitadas comunidades sobre tecnologia do Brasil. Leia mais

Direitos autorais

Não permitimos a cópia ou reprodução do conteúdo do nosso site, fórum, newsletters e redes sociais, mesmo citando-se a fonte. Leia mais

×
×
  • Criar novo...