Diagrama de uma Fonte de Alimentação Chaveada
Nas Figuras 3 e 4 você pode ver o diagrama em blocos de uma fonte de alimentação chaveada usada nos PCs com o recurso PWM. Na Figura 3 mostramos o diagrama em blocos de uma fonte de alimentação sem o circuito PFC (Fator de Correção de Potência) – usado por fontes de alimentação mais baratas – e na Figura 4 mostramos o diagrama em bloco de uma fonte de alimentação com circuito de PFC ativo, que é usado por fontes de alimentação de alto desempenho.

Figura 3: Diagrama em blocos de uma fonte de alimentação chaveada com o recurso PWM (sem PFC).

Figura 4: Diagrama em blocos de uma fonte de alimentação chaveada com o recurso PWM e PFC ativo.
Você pode ver qual é a diferença entre uma fonte de alimentação com PFC ativo e uma sem este circuito comparando as Figuras 3 e 4. Como você pode ver, fontes de alimentação com PFC ativo não têm uma chave 110/220 V e também não têm um circuito dobrador de tensão. Mas é claro que elas têm o circuito de PFC ativo, sobre o qual falaremos mais em um momento mais oportuno.
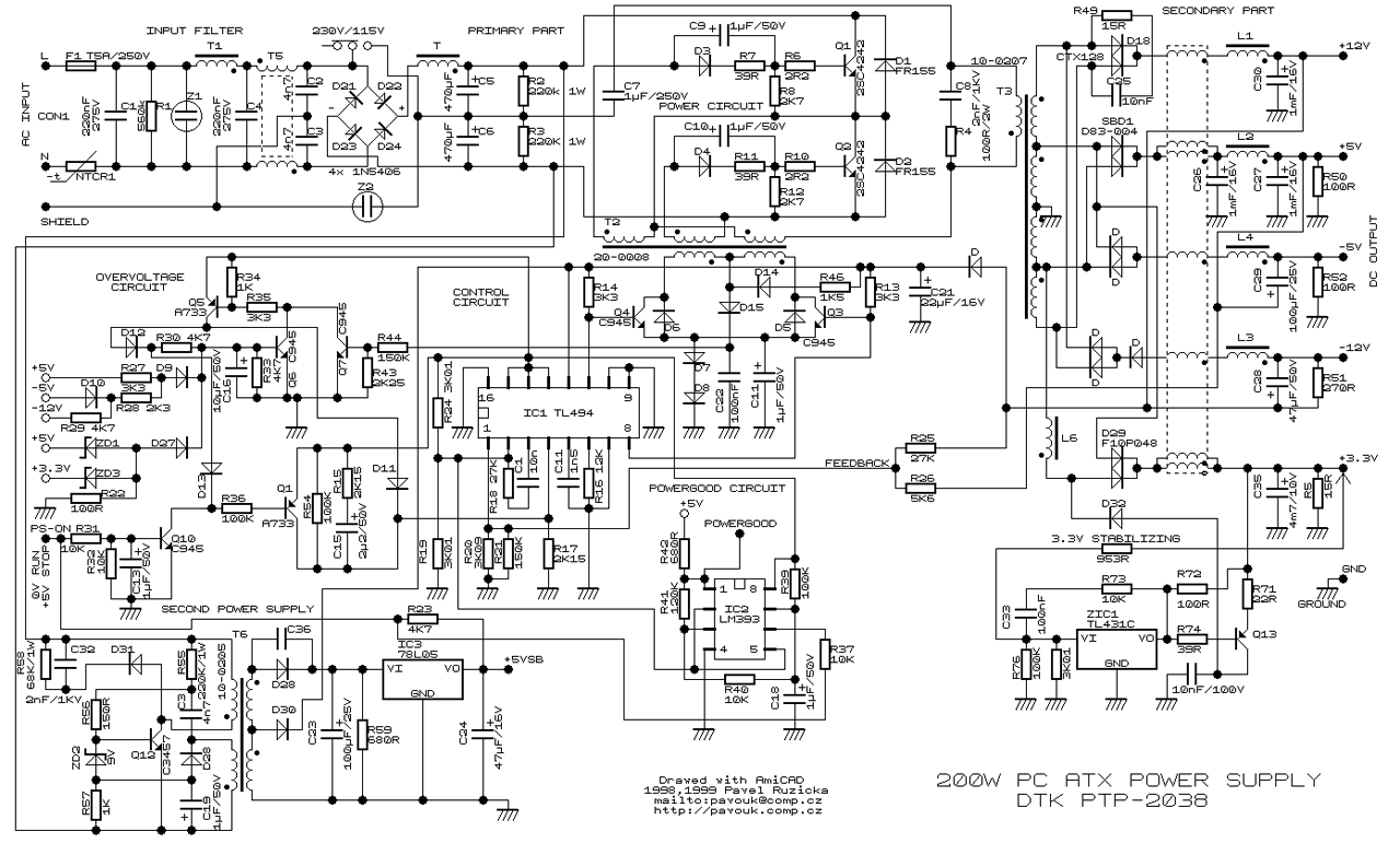
Este é um diagrama muito básico. Não incluímos circuitos extras – como proteção contra curto-circuito, circuito stand-by, gerador do sinal power good, etc – para mantermos o diagrama simples e de fácil entendimento. Caso você queria um esquema detalhado, veja na Figura 5. Se você não entende de eletrônica, não se preocupe. Colocamos esta figura aqui apenas para os leitores que querem informações mais aprofundadas sobre o funcionamento das fontes chaveadas.

Figura 5: Diagrama esquemático de uma fonte de alimentação ATX.
Você pode estar se perguntando onde está o estágio de regulação de tensão nas figuras acima. O circuito PWM faz a regulação de tensão. A tensão de entrada é retificada antes de passar pelos transistores de chaveamento, e o que eles enviam para o transformador é uma forma de onda quadrada. Dessa forma, o que temos na saída do transformador é uma forma de onda quadrada, não a forma de onda senoidal. Como a forma de onda já está quadrada é muito fácil transformá-la em tensão contínua. Então após a retificação depois do transformador, a tensão já estará contínua. É exatamente por isto que algumas vezes as fontes de alimentação chaveadas também são referidas como conversores DC-DC.
A realimentação usada para alimentar o circuito de controle PWM é a responsável por fazer toda a regulação necessária. Se a tensão de saída estiver errada, o circuito de controle PWM muda o ciclo de trabalho do sinal aplicado ao transistor de modo a corrigir a saída. Isto acontece quando o consumo do micro aumenta, situação onde a tensão de saída tende a diminuir, ou quando o consumo do micro diminui, situação onde a tensão de saída tende a aumentar.
Tudo o que você precisa saber antes de passar para a próxima página (e o que você pode aprender prestando atenção nas Figuras 3 e 4):
- Tudo antes do transformador é chamado “primário” e tudo após ele é chamado “secundário”.
- Fontes de alimentação com PFC ativo não têm uma chave 110/220 V. Elas também não têm um dobrador de tensão.
- Em fontes de alimentação sem PFC, se a chave 110 V / 220 V estiver configurada para 110 V, a fonte de alimentação usará um dobrador de tensão de modo a fazer com que a tensão esteja sempre por volta de 220 V antes da ponte retificadora.
- Nas fontes de alimentação dos PCs dois transistores de potência MOSFET fazem o chaveador. Várias diferentes configurações podem ser usadas e falaremos mais sobre isto adiante.
- A forma de onda aplicada ao transformador é quadrada. Assim, a forma de onda encontrada na saída do transformador é quadrada, não senoidal.
- O circuito de controle PWM – que é normalmente um circuito integrado – está isolado do primário através de um pequeno transformador. Algumas vezes, em vez de um transformador um optoacoplador (um pequeno circuito integrado contendo um LED e um fototransistor empacotados juntos) é usado.
- Como mencionamos, o circuito de controle PWM usa as saídas da fonte de alimentação para controlar como ele irá conduzir o transistor de chaveamento. Se a tensão de saída estiver errada, o circuito de controle PWM muda o ciclo de carga da forma de onda aplicada no transistor de chaveamento de modo a corrigir a saída.
Nas próximas páginas iremos explorar cada um desses estágios com figuras mostrando onde você pode encontrá-los dentro de uma fonte de alimentação.
-
2

Respostas recomendadas
Crie uma conta ou entre para comentar
Você precisa ser um usuário para fazer um comentário
Criar uma conta
Crie uma nova conta em nossa comunidade. É fácil!
Crie uma nova contaEntrar
Já tem uma conta? Faça o login.
Entrar agora