Ir ao conteúdo

Renato.88

Membro Pleno
  • Posts

    9.757
  • Cadastrado em

  • Última visita

Tudo que Renato.88 postou

  1. Os datasheets as vezes não vale para CIs chineses. Se tem outro que funciona, use ele. Se não der certo, tente outro tipo de regulador.
  2. Eu usaria um desses: https://encrypted-tbn1.gstatic.com/images?q=tbn:ANd9GcQ_YSzl23yraiVQTxy7I2fj5SKkxBJk0MeaxOJ6Q5HmCuwva-k0IA É antiquado, porém funcional!
  3. Sim. Exatamente o que eu quis dizer, tudo é relativo. Depende de como o novo foi fabricado, depende da marca, depende de onde veio de como veio. O usado a mesma coisa: Como foi usado? Quanto foi usado? Aonde foi usado?
  4. E a noite? Vão abrir a porta também? Se não essa é a hora que a bateria irá carregar de verdade.
  5. Na verdade são 2. Um derruba apenas 0,6V.
  6. Ligar um cooler comum em uma fonte de 5V vai fazê-lo rodar bem fraquinho. Talvez nem faça vento, já que são projetados para 12V. Mas se seu No-Break anda esquentando demais, pode ser que ele ainda esteja com problemas.
  7. Tudo isso tem a ver com o fator "depende". Comprei uma placa-mãe nova em 2007, uma ASUS, quase Top de linha pra época, processador 2 núcleos, 64bits, Off Board e por aí vai. Durou exatos 6 anos, não foi raio, nem ligação errada, simplesmente começou a apresentar uns problemas estranhos e de uma hora pra outra parou de funcionar. Pórem como eu precisava do PC urgente e estava meio "duro" na época comprei uma placa usada (por 100 conto) de mesmo tipo da que estragou (para continuar usar todos componentes disponíveis no PC). Essa placa foi fabricada em 2006 e está funcionando agora, pois estou escrevendo a seguinte mensagem. Então qual dura mais? A nova ou a usada?
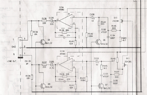
  8. Não é tão complicado quanto parece analisando o esquema postado, mesmo que este falta algumas partes. Já que o CD não funciona é possível utilizar a entrada dele pra isso, na última página do esquema postado tem o seguinte conector: O circuito mostrado é o pré amplificador do toca CDs, onde o conector CN19 é a saída dele e provavelmente segue com 3 fios para outra placa (que falta o desenho no esquema). É usando esses 3 fios que você fará sua entrada auxiliar. Lembrando que a parte mostrada é a que ficará inutilizada.
  9. @Tim Beck Sua dúvida já foi respondida no outro tópico, não dá para evitar a chance de curto circuito usando um simples diodo. Porém existem outras alternativas um pouco mais complexas: Uma delas é o circuito postado pelo @aphawk no outro tópico: A outra seria refazer esses circuitos usando portas lógicas para se fazer o intertravamento (o que torna um pouco mais simples de montar. E existe uma terceira maneira que é a de usar push-bottons de duplo contato (NA/NF parecido com as botoeiras de máquinas, por exemplo), seu circuito ficaria assim: Dessa maneira é impossível fechar curto apertando os dois botões, pois um botão desliga o outro deixando ligar apenas o motor.
  10. Faça ao contrário e use o circuito proposto pelo @faller. Quando todos os Led's estiverem aceso, todas as lâmpadas estarão apagadas e aí você pode ligar seu relé para que todas se acendam ao mesmo tempo. Um fio do led a lâmpada e o outro a um dos pinos do relé/interruptor. Led aceso, lâmpada apagada simples assim.
  11. Aqui em casa tem uma dessas com um defeito parecido com esse, só que no meu caso era a polia do motor que trincou. O batedor girava no vazio, mas com massa parava e o motor continuava girando, acho que não é o seu caso né. O motor usado é AC do tipo indução mesmo.
  12. Renato.88

    Ci 7805

    Esta parte do datasheet está falando sobre limitação de corrente. Para o seu caso não precisa de resistor nenhum, basta aterrar o pino 2 e manter os Capacitores. Sobre os textos, apenas estão dizendo que a tensão de entrada deve ser no mínimo 2V a mais que a de saída. No caso 7V.
  13. Sim, estão corretos os 156V nessa parte da fonte. Geralmente as tensões do esquema são medidas na rede de 220V. Não importa a tensão que tem na entrada, a tensão de saída (no caso 31V) será sempre a mesma coisa. O ci901 é o responsável pela mudança de tensão automática. Se você diz que algumas tensões estão presentes, deve verificar o circuito do Power. Quando o aparelho é desligado, parte da fonte se desliga mantendo somente o circuito de stand by em funcionamento.
  14. Bom, eu não conheço o seu adaptador. Mas se funcionou com o aparelho da NET, deve funcionar com um conversor digital comum. Nesses casos quando não funciona é algum ajuste de resolução ou de frequencia que não está correto.
  15. Geralmente são usados em casos que precisam de tensão e corrente limitada, por exemplo alguns estágios de amplificadores e pré amplificadores. Podem ser usados também em circuitos que tem baixo consumo de corrente e que não há espaço para um regulador comum. Alguns circuitos analógicos que precisam de umas tensões meio "nada a ver" como 4V7, 8V2 ou 3V3 também podem usar diodos zener. Em alguns casos podemos usar diodo zener + transistor também.
  16. Com toda certeza, dependendo do Chipset da placa-mãe ela pode sim atrapalhar todo o resto. Eu mesmo há muito tempo fiz um teste onde troquei uma placa-mãe ASUS por uma Xing Ling e vi toda a diferença. Parecia outro PC totalmente lento.
  17. Mal contato nos cabos, em último caso no próprio HD ou Placa-mãe.
  18. Supondo que o eletroímã não vai ficar ligado o tempo todo, então tanto ele quanto o timer 555 pode ser ligado diretamente a bateria. O LM317 deverá ser ajustado para tensão entre 13,5 e 13,8V, assim não corre o risco da bateria ferver. Pois como a corrente é baixa e a bateria será pouco usada, não há necessidade de fazer um carregador completo de 2 tensões. O circuito do 741 é interessante, pode usar transistor ou relé para desligar a fechadura caso a bateria acabe (o que eu acho muito difícil).
  19. O objetivo é assistir TV em um monitor de PC comum? Se for isso, um conversor digital serve. Esse cabo adaptador, é apenas um cabo ou tem algo ligado nele? Se for somente um cabo pode ter certeza que não funciona.
  20. Calma rapaz, a @Isadora Ferraz nem está falando sério, quem vai se importar com a cor do Led?! Quanto ao amigo @Luiz Vanderléiao criador do tópico, ele deve ter encontrado uma maneira de resolver o problema, talvez tenha até seguido sua sugestão.
  21. @Carlosst Os tda's são mais antigos, são do final dos anos 70. Já os stk são do início dos anos 80. Já vi propagandas desses cis em revistas de eletrônica antigas, também tenho um 2 em 1 com um STK 4122 ll aqui, foi fabricado em 1985. O som que eu falei deve ser da mesma época que o seu, algo como 96 ou 97. Talvez não usavam ci em todos.
  22. Mas no video não dá pra ver nada, apenas uns vultos. adicionado 0 minutos depois [2]
  23. Uma vez peguei um Aiwa desses aí do finalzinho dos anos 90, e me assustei quando vi a saída transistorizada (jurava que ia ver um STK).
  24. Meio esquisito isso aí?! Não entendi porque tem dois fios ligado aí e nenhum está livre, um deles deve estar ligado ao motor e o outro?
  25. Isso é um transcodificador de NTSC/Pal-M. Se usava muito na época das câmeras e gravadores de vídeo VHS. Não vejo mais utilidade pra isso nos dias de hoje, talvez seja útil se quiser ligar um DVD importado a um TV de tubo PAL-M e quiser que a imagem apareça colorida. Interessante que tem dois circuitos idênticos na mesma placa, talvez isso era usado por alguém que pirateava essas fitas ou gravava vídeos de festas e casamentos. Se quiser ligar isso é muito simples, (V.IN) é a entrada de video, (V.OUT) é a saída, GND é o terra e +B é o positivo da alimentação, geralmente 12V.

Sobre o Clube do Hardware

No ar desde 1996, o Clube do Hardware é uma das maiores, mais antigas e mais respeitadas comunidades sobre tecnologia do Brasil. Leia mais

Direitos autorais

Não permitimos a cópia ou reprodução do conteúdo do nosso site, fórum, newsletters e redes sociais, mesmo citando-se a fonte. Leia mais

×
×
  • Criar novo...